发表时间: 2026-02-03 16:17:06
作者: 石油化工设备维护与检修网
浏览: 30

一、化工离心式压缩机的基本组成与分类
1、化工离心式压缩机的基本组成
从外观上看一台压缩机,首先看到的是机壳,它又称气缸,通常是用铸铁或铸钢浇铸而成。一台高压离心式压缩机通常有两个或两个以上气缸,按其气体压强高低分别称为低压缸、中压缸和高压缸。
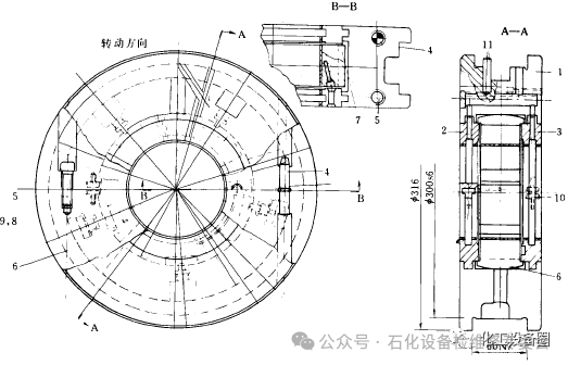
压缩机本体结构可以分为两大部分:转动部分,它由主轴9、叶轮6(本压缩机共有8叶轮)、平衡盘8、推力盘11以及半联轴器等零部件组成,称为转子。固定部分,是由气缸5、隔板7(每个叶轮前后都配有隔板)、径向轴承12、推力轴承10、轴端密封等零部件组成,常称为定子。
2、化工离心式压缩机的分类
在国民经济许多部门中,特别是在采矿、石油、化工、动力和冶金等部门中广泛地使用气体压缩机来输送气体和提高气体的压强。压缩机种类繁多,尽管用途可能一样,但其结构型式和工作原理都可能有很大的不同。气体的压强取决于单位时间内气体分子撞击单位面积的次数与强烈程度,如果增加容积内气体的温度,使气体分子运动的速度增加,可以使气体压强提高,但当温度降下来,气体压强又随之降低,而一般要求被压缩的气体应具有不高的温度,故此法不可取。因此,提高气体压强的主要方法就是增加单位容积内气体分子数目,也就是容积式压缩机(活塞式、滑片式、罗茨式、螺杆式等等)的基本工作原理;利用惯性的方法,通过气流的不断加速、减速,因惯性而彼此被挤压,缩短分子间的距离,来提高气体的压强,透平式压缩机的工作原理属于这一类。透平式压缩机是一种叶片式旋转机械,它利用叶片和气体的相互作用,提高气体的压强和动能,并利用相继的通流元件使气流减速,将动能转变为压强的提高。一般透平式压缩机可以进行如下分类。
(1)按气体运动方向分类
① 离心式。气体在压缩机内大致沿径向流动。
② 轴流式。气体在压缩机内大致沿平行于轴线方向流动。
③ 轴流离心组合式。有时在轴流式的高压段配以离心式段,形成轴流、离心组合式压缩机。
(2)按排气压力Pd分类
① 通风机。Pd<0.0142MPa(表压)。
② 鼓风机。0.0142 MPa≤Pd≤0.245 MPa(表压)。
③ 压缩机。Pd>0.245 MPa(表压)。
(3)按用途和被处理的介质命名,如制冷压缩机,高炉鼓风机,空气压缩机、天然气压缩机、合成气压缩机、二氧化碳压缩机等等。
二、化工离心式压缩机的结构特点
1、主要部件的结构特点
(1)气缸和隔板气缸是压缩机的壳体,又称机壳。由壳身和进排气室构成,内装有隔板、密封体、轴承体等零部件。对它的要求是:有足够的强度以承受气体的压力;法兰结合面应严密,保持气体不向机外泄漏;有足够的刚度,以免变形。
① 气缸的型式
离心式压缩机气缸可分为水平剖分型和垂直剖分型(又称筒型)两种。气体压强比较低(一般低于50 MPa)的多采用水平剖分型气缸,气体压强较高或易泄漏的要采用筒型缸体。离心式压缩机常按气缸型式分类,分别称为水平剖分型和垂直剖分型压缩机。
ⅰ、水平剖分型压缩机水平剖分型气缸有一个中分面,将气缸分为上、下两半,分别称为上、下气缸,在中分面处用螺栓把法兰连接在一起。法兰结合面应严密,保证不漏气。一般进、排气接管或其他气体接管都装在下气缸,以便拆装时起吊上气缸方便。打开上气缸,压缩机内部零件,如转子、隔板、迷宫密封等都容易进行拆装。水平剖分型压缩机一个气缸可以是一段压缩,也可以是两段以上的多段压缩。
ⅱ、垂直剖分型(筒型)压缩机垂直剖分型气缸适应于中、高压压缩机。气缸是一个圆筒,两端分别有端盖板,用螺栓把紧。隔板有水平剖分面,隔板之间有止口定位,形成隔板束。转子装好后放在下隔板束上。盖好上隔板束,隔板中分面法兰用螺栓把紧,将内缸推入筒型缸体安置好后。轴承座可以和端盖板做成一整体,易于保持同心,也可以分开制造,再用螺栓联接。
与水平剖分型缸体比较起来,筒型缸体具有许多优点:
第一,筒型缸体强度高;
第二,筒型缸体泄漏面小,气密性好;
第三,筒型缸体的刚性比水平剖分型好,在相同条件下变形小。筒型缸体的最大缺点是拆装困难,检修不便。
(2)、隔板
隔板形成固定元件的气体通道,根据隔板在压缩机中所处的位置,隔板有4种类型:进气隔板、中间隔板、段间隔板和排气隔板。进气隔板和气缸形成进气室,将气体导流到第一级叶轮入口,对于采用可调预旋的压缩机,在进气隔板还要装上可调导叶,以改变气体流向第一级叶轮的方向角。中间隔板任务有二,一是形成扩压器(无叶或叶片式扩压器),使气流自叶轮流出来后具有的动能减少,转变为压强的提高;二是形成弯道流向中心,流到下级叶轮的入口。排气隔板除了与末级叶轮前隔板形成末级扩压器外,还要形成排气室。
隔板上装有轮盖密封和叶轮定距套密封,所有密封环一般都作成上下两半(对大型压缩机可能作成4半),以便拆装。为了使转子的安装和拆卸方便,无论是水平剖分型还是筒型压缩机隔板都作成上下两半,差别仅在于隔板在气缸上的固定方式不同。对水平剖分型气缸来说,每个上下隔板外缘都车有沟槽,与相应的上下气缸装配,为了在上气缸起吊时,隔板不致于掉下来,常用沉头螺钉将隔板和气缸在中分面固定。对筒形气缸来说,上下隔板固定好后,用贯穿螺栓固定成整个隔板束,轴向推进筒型气缸内。
(3)离心式压缩机转子
转子是压缩机的关键部件,它高速旋转,对气体做功。转子由许多零部件组成,如由主轴、8个叶轮、定距套、平衡盘、推力盘等零部件组成,在轴的一端通过联轴器和透平相联。主轴中间段直径不一样,分三段,分别装有3个、2个和3个叶轮,这种轴称为阶梯,轴设计时,一般尽可能缩小两端轴承中心间距离和根据气动设计尽量增加轴径,以便增加轴的刚性。
叶轮、定距套等各种转动部件都红套在轴上,其中如轮盘、平衡盘等还设有键。有的厂家设计的压缩机叶轮虽然也带有键,但正常运转时并不传递转矩,只起防松作用。过盈装配不仅是传递转矩需要,还是为了防止叶轮在运转时由于离心力的作用而松动。
2.转子各零件的装配有许多技术要求,主要要求如下
① 转子在装配前,所有叶轮应做超速试验,检查叶轮的变形和表面质量情况。叶轮表面质量通常用磁粉(对钢制叶轮)或着色法(对不锈钢制叶轮)来进行检查。对铆接叶轮要特别注意铆钉是否有松动现象。
② 叶轮和转子上的所有其他零部件都必须紧密装在轴上,在运行过程中不允许有松动。叶轮装配采用得比较普遍的是红套。首先将叶轮均匀加热。主轴一般立放在夹具上,当叶轮加热到适当温度时,将叶轮套入主轴。加热温度应该根据叶轮和主轴的过盈量、红套过程来决定,温度过低会出现叶轮还没装到应有位置就凉下来,卡住主轴。
③ 转子装配时应进行严格的动平衡。多级叶轮转子应每装两个叶轮校正一次动平衡。如果叶轮是奇数,则第一次装三个叶轮进行校正。一般先装位于中间的两个(或三个)叶轮,然后再在其两侧各装一个叶轮,按此顺序装完为止。
④ 转子装配后,有关部位的径向及轴向跳动值应小于允许值。
(4)离心式压缩机叶轮
叶轮又称工作轮,是压缩机转子上最主要的部件。叶轮随主轴高速旋转,对气体做功。气体在叶轮叶片的作用下,跟着叶轮作高速旋转,受旋转离心力的作用以及叶轮里的扩压流动,在流出叶轮时,气体的压强、速度和温度都得到提高。
3.按结构型式叶轮分为开式、半开式和闭式三种
在大多数情况下,后两种叶轮在压缩机中得到了广泛应用。
开式叶轮结构最简单,仅由轮毂和径向叶片组成。在叶轮上,叶片槽道两个侧面都是敞着的,气体通道是由叶片槽道和与叶轮前后有一定间隙的机壳形成的。这种通道对气体流动不利,使气体流动损失很大,此外,在叶轮和机壳之间引起的摩擦鼓风损失也最大,故这种叶轮的效率最低,在压缩机中很少被采用。
半开式叶轮和开式叶轮不同,叶片槽道一侧被轮盘封闭,另一侧敞开,改善了气体通道,减少了流动损失,提高了效率。但是,由于叶轮侧面间隙很大,有一部分气体从叶轮出口倒流回进口,内泄漏损失大。此外,叶片两边存在压力差,使气体通过叶片顶部从一个槽道潜流向另一个槽道,因而这种叶轮的效率仍不高。
闭式叶轮由轮盘、叶片和轮盖组成。这种叶轮对气体流动有利。轮盖处装有气体密封,减少了内泄漏损失。叶片槽道间潜流引起的损失也不存在,因此效率比前两种叶轮都高。另外,叶轮和机壳侧面间隙也不像半开式叶轮那样要求严,可以适当放大,使检修时拆装方便。这种叶轮在制造上虽较前两种复杂,但有效率高和其他优点,故在工业压缩机中得到广泛应用。
三、化工离心式压缩机密封的结构
由于压缩机的转子和定子一个高速旋转而另一个固定不动,两部之间必定具有一定的间隙,因此就一定会有气体在机器内由一个部位泄漏到另一个部位,同时还向机器外部进行泄漏。为了减少或防止气体的这些泄漏,需要采用密封装置。防止机器内部通流部分各空腔之间泄漏的密封叫内部密封,防止或减少气体由机器向外部泄漏或由外部向机器内部泄漏(在机器内部气体压强低于外部气压时)的密封,叫外部密封或称轴端密封。内部密封如轮盖、定距套和平衡盘上的密封,一般作成迷宫型。对于外部密封来说,如果压缩的气体有毒或易燃易爆,如氨气、甲烷、丙烷、石油气、氢气等,不允许漏至机外,必须采用液体密封、机械接触式密封、抽气密封或充气密封等;当压缩的气体无毒,如空气、氮气等等,允许少量气体泄漏,亦可以采用迷宫型密封。化工厂的压缩机中,常采用的密封有迷宫型、浮环油膜密封、机械接触式密封等几种。下面对几种密封分别予以讨论。
1、迷宫型密封
① 结构型式
迷宫型密封的结构多种多样,压缩机内采用较多的有以下几种。
ⅰ、曲折型图1是整体曲折型密封。这种型式的特点是除了密封体上有密封齿(或密封片)外,轴上还有沟槽。整体型的缺点是密封齿间距不可能加工得太短,因而轴向尺寸长。采用镶嵌型可以大大缩短轴向尺寸(图2)。
图1整体曲折型密封

图2镶嵌曲折型密封
ⅱ、平滑型
这种密封或者是轴作成光轴,或者是密封体作成光滑内表面,可分为整体平滑型和镶嵌平滑型。
ⅲ、台阶型(图3)这种型式多用于轮盖或平衡盘。

图3台阶式密封
(4)蜂窝型这种密封加工工艺复杂,但密封效果好,密封片结构强度好。
2、浮环密封
浮环密封的基本结构如图4所示。密封是由几个浮动环组成,高压油由孔12注入密封体中,然后向左右两边溢出,左边为高压侧,右边为低压侧,流入高压侧的油通过高压浮环,挡油环6及甩油环7由回油孔11排出。因为油压一般控制在略高于气体的压力,压差较小,所以向高压侧的漏油量很少。流入低压侧的油通过几个浮环(图中为三个)然后流出密封体。因为高压油与大气的压差较大,因此向低压侧的漏油量很大的。浮环是挂在轴的轴套5上,在径向是活动的。浮环与轴套的间隙很小,内侧环比外侧环的间隙小。当轴转动时浮环被油膜浮起,为了防止浮环转动,一般用销钉3来控制,这时所形成的油膜把间隙封闭以防止气体外漏。浮环密封主要是高压油在浮环与轴套之间形成油膜而产生节流降压阻止机内与机外的气体相通。由于是油膜起主要作用,所以又称为油膜密封。

图4 浮环密封1—浮环;2—固定环;3—销钉;4—弹簧;5—轴套;6—挡油环;7—甩油环;8—轴;9—迷宫密封齿;10—密封;11—回油孔;12—进油孔
为了装配方便,一般作成几个L形固定环,浮环就装在L形固定环的中间。高压环一般只采用一个,因为压差小。而低压环压差大,一般采用几个。为了使浮环与L形固定环之间的间隙不太大,用弹簧4将浮环压平。
3、机械接触式密封
机械接触式密封又称端面密封,在水泵中应用很广,积累了许多实践经验。这种密封的特点是密封油的漏损率极低,比一般油密封要小5~10倍,使用寿命比填料密封长。因此,在压缩机中,当被压缩的气体不允许向外泄漏时,也常常用到它。
(1)机械接触式密封结构特点
整个机械密封由1套双端面主机械密封和1套单端面辅助机械密封组成,如图5所示。

图5 机械密封结构简图1—灯笼环;2—键;3—O形环;4—动环;5—O形环;6—定位套;7—轴套;8—锁紧套;9—防松螺钉;10—锁紧套;11—石墨垫
双端面主机械密封动环4,由锁紧套8压紧在机械密封轴套7上,动环下面装有O形密封环5。动环和轴套间无驱动销,依靠两端面压紧产生的摩擦力,使其随轴套一起转动,为防止动环锁紧套8松动退出,锁紧套后部还设有4个周向均布的防松螺钉9。与双端面动环相对应的两个静环均装在机械密封外壳中,静环后面有小弹簧,使动静环工作面间有一定的贴合紧力。
单端面辅机械密封动环也装在机械密封轴套上,靠锁紧套10压紧,与之对应的静环装在机械密封外壳中。但静环工作面贴合,当灯笼环内移到位时,动静环工作面分开。
机械密封轴套,由两个对称布置的键2传递转矩,带动轴套及两个动环等与轴一起转动。
四、压缩机轴承的结构
1、支持轴承
透平压缩机采用最早和最普遍的是圆瓦轴承,后来逐渐采用椭圆轴承、多油楔轴承和可倾瓦轴承。
① 圆瓦轴承
图6是圆瓦轴承结构图,上下两半瓦由螺钉8联接在一起,为保证上下瓦对正中心设有销钉11。轴瓦内孔浇铸巴氏合金,它具有质软、熔点低和良好的耐热性能。巴氏合金应结合紧密,不允许有裂纹、伤痕、气孔及脱落现象。轴静放在轴瓦上时,轴颈与轴瓦上方之间的间隙(顶隙)等于两侧间隙之和。轴颈和轴瓦的接触角不小于60°~70°,在此区域内保证完全接触。
润滑油经由下轴瓦垫块3之孔进入轴瓦并由轴颈带入油楔,经由轴承的两端而泄入轴承箱内。一般润滑油压强(表压)为0.039~0.049MPa。垫块3、7保证轴瓦在轴承壳中定位及对中,可以通过磨削垫片4、5来调整轴承位置。

图6 圆瓦轴承
② 椭圆瓦轴承
椭圆瓦轴承的轴瓦内表面呈椭圆形,轴承侧隙大于或等于顶隙,一般顶隙约为轴径d的( 1~1.5 )/1000,而侧隙约为(1~3)d/1000。轴颈在旋转中形成上下两部分油膜(图7),这两部分油膜的压力产生的合力与外载荷平衡。这种轴承和圆瓦轴承比较起来有如下优点:首先,它稳定性好,在运转中若轴上下晃动,比如向上晃动,上面的间隙变小,油膜压力变大,下面的间隙变大,油膜压力变小,两部分力的合力变化会把轴颈推回原来的位置,使轴运转稳定。其次,由于侧隙较大,沿轴向流出的油量大,散热好,轴承温度低。因此它的顶隙可以比同样尺寸的圆瓦轴承的顶隙小。但是,这种轴承的承载能力比圆瓦轴承低,由于产生上下两个油膜,功率消耗大,在垂直方向抗振性好,但水平方向抗振性差些。

图7 椭圆瓦轴承油膜压力
③ 可倾瓦轴承
如图8。这种轴承由多瓦块组成,瓦块可以摆动,在工况变化时都能形成最佳油膜,抗振性好,不容易产生油膜振荡。
我国瓦块一般用25钢或35钢制成,内表面浇铸一层巴氏合金。这层合金厚度很薄,一般都在1~3mm要求巴氏合金有较高的抗疲劳强度,与钢背贴合紧密。这类轴承在加工时的主要要求是:瓦壳与瓦块配合内径公差一般应控制在0.025mm范围内,等分的定位销孔中心距公差亦应在此数据范围内;瓦块厚度公差应保证在0.0125mm范围内,这样可保证瓦块的互换性,在装配时可不必刮研找正。

图8 可倾瓦轴承结构示意图
1—轴承瓦背;2—油封;3—油封;4—销子;5—螺钉;6—瓦块;7—瓦块;8、9—螺钉、垫圈;10—安全螺钉;11—销子
拆装时,一般要把上下壳体打开,注意不要刮伤巴氏合金表面,在维修过程中,间隙测量是很重要的,通常采用压铅法测量。五块可倾瓦轴承顶部没有瓦块,顶部间隙不能直接测量,而是通过测量上部轴瓦3/4的压铅厚度S´=r(图9),再换算成轴承间隙Δ=1.1 S´

图9 压铅厚度计算
2、止推轴承
大型氨厂的几台压缩机止推轴承采用是米契尔和金斯伯雷轴承。这些轴承的共同点是活动多块式,在止推块下有一个支点,这个支点一般偏离止推块的中心,止推块可以绕支点摆动,根据载荷和转速的变化形成有利的油膜。米契尔轴承是止推块直接与基环接触,是单层的;金斯伯雷轴承是止推块下有上水准块、下水准块,然后才是基环,相当于三层叠起来的。
① 米契尔轴承
图10是美荷型装置的合成气压缩机的径向止推轴承示意图。止推轴承为米契尔式,止推块与基环之间有一个定位销,当止推块承受推力时,可以自动调整止推块位置,形成有利油楔。在推力盘两侧分主推力瓦块和副推力瓦块。

图10 米契尔止推轴承
1-径向轴承瓦块;2—定距套;3—推力瓦块;4—推力盘;5—推力瓦块
正常情况下,转子的轴向力通过推力盘经过油膜传给主推力瓦块,然后通过基环传给轴承座。在起动或甩负荷时可能出现反向轴向推力,此推力将由副推力瓦块来承受。瓦块表面上浇铸巴氏合金,其厚度应小于压缩机动、静部分间的最小轴向间隙,这样做是因为:一旦巴氏合金熔化后,推力盘尚有钢圈支承着,短时间内不致引起压缩机内动、静部分碰伤,一般巴氏合金厚度为1~1.5mm。推力盘在轴向的位置是由止推轴承来保证的,即由止推盘和止推瓦块间的位置来确定。所以,根据压缩机通流部分的尺寸确定好定距套的长度,在维修时不要改变。如果需要更换止推盘,应该注意新止推盘的厚度有无变化,有变化时应重新确定定距套的长度,以便准确保证转子在气缸里的轴向位置。推力盘和瓦块间留有间隙,可以保证止推盘和瓦块间形成油楔承受转子的轴向推力。此间隙通常称为推力间隙或转子的工作窜动量(它和未装好止推瓦块时转子的轴向窜量不一样)。
② 金斯伯雷轴承
图11是空气压缩机的止推轴承,采用金斯伯雷轴承。止推瓦块垫有上水准块、下水准块、基环,它们之间用球面支点接触,保证止推瓦块、水准块可以自由摆动,使载荷分布均匀。止推瓦块由碳钢制成,上面浇铸巴氏合金,止推瓦块体中镶一个工具钢制的支承块,硬度为HRC50~60,这个支承块与上水准块接触。

图11 金斯伯雷型止推轴承
1-底环;2—调平块;3、4—校平块;5、6—瓦块
上水准块用一个调节螺钉在圆周方向定位,上下水准块一般用精密铸造铸出,可以用耐磨的QT40~10制成。下水准块装在基环的凹槽中,用它的刃口与基环接触。上水准块用螺钉来定位。为防止基环转动,在基环上设有防转销键。转子的轴向窜量可以用调整垫片调整。
润滑油从轴承座与外壳之间进来,经过基环背面铣出的油槽,并通过基环与轴颈之间的空隙进入止推盘与止推块之间。止推盘转动起来,由于离心力的作用,油被甩出,由轴承座的上方排油口排出。
金斯伯雷轴承的特点是载荷分布均匀,调节灵活,能补偿转子的不对中、偏斜,但是轴向尺寸长,结构复杂。
五、离心式压缩机检修内容
1、压缩机小修
(1)检查和清洗油过滤器;
(2)消除油、水、气系统的管线,阀门、法兰的泄漏缺陷;
(3)消除运行中发生的故障缺陷。
2、压缩机中修
(1)包括小修项目。
(2)检查、测量、修理或更换径向轴承和止推轴承,清扫轴承箱。
(3)检查、测量各轴颈的完好情况,必要时对轴颈表面进行修理。
(4)重新整定轴颈测振仪表,移动转子,测量轴向窜动间隙,检查止推轴承定位的正确性。
(5)检查止推盘表面粗糙度及测量端面跳动。
(6)检查联轴器齿面磨损、润滑油供给以及轴向串动和螺栓、螺母的联接情况,进行无损探伤,复查机组中心改变情况,必要时予以调整。
(7)检查、调整各测振探头,轴位移探头及所有报警信号、联锁、安全阀及其他仪表装置。
(8)检查拧紧各部位紧固件、地脚螺栓、法兰螺栓及管接头等。
3、压缩机大修
(1)包括全部中修项目。
(2)拆卸气缸,清洗检查转子密封、叶轮、隔板、缸体等零件腐蚀、磨损、冲刷、结垢等情况。
(3)检查、测定转子各部位的径向跳动和端面跳动,轴颈粗糙度和形位误差情况。
(4)宏观检查叶轮;转子进行无损探伤。根据运行和检验情况决定转子是作动平衡还是更换备件转子。
(5)检查、更换各级迷宫密封、浮环密封或机械密封或干气密封;重新调整间隙,转子总窜量、叶轮和扩压器对中数据等。
(6)检查清洗缸体封头螺栓及中分面螺栓,并作无损探伤。
(7)气缸、隔板无损探伤。气缸支座螺栓检查及导向销检查。
(8)检查压缩机进口过滤网和出口止逆阀。
(9)检查各弹簧支架,有重点地检查管道、管件、阀门等的冲刷情况,进行修理或更换。
(10)机组对中。
4、增速箱中修
(1)检查、清洗润滑油路,整定油温,油压力仪表,消除泄漏。
(2)检查和紧固各连接螺栓。
(3)检查齿面啮合及磨损情况。
(4)清除机件和齿轮箱内油垢及污物。
(5)检测联轴器的轴向串量及检查齿面磨损、润滑情况。
5、增速箱大修
(1)包括全部中修内容。
(2)检查止推盘磨损情况,测量端面跳动。
(3)检测、修理或更换轴承和油封。
(4)检测齿轮轴颈的圆度和圆柱度,必要时进行修整。
(5)检查两齿轮轴的平行度和水平度,必要时予以调整。
(6)对齿轮、轴、半联轴器及其连接螺栓、螺母等作无损探伤。
(7)检查、调整测振及轴位移探头、温度压力仪表。
(8)清理喷油嘴、油孔、油道。
来源:泵阀仪表